
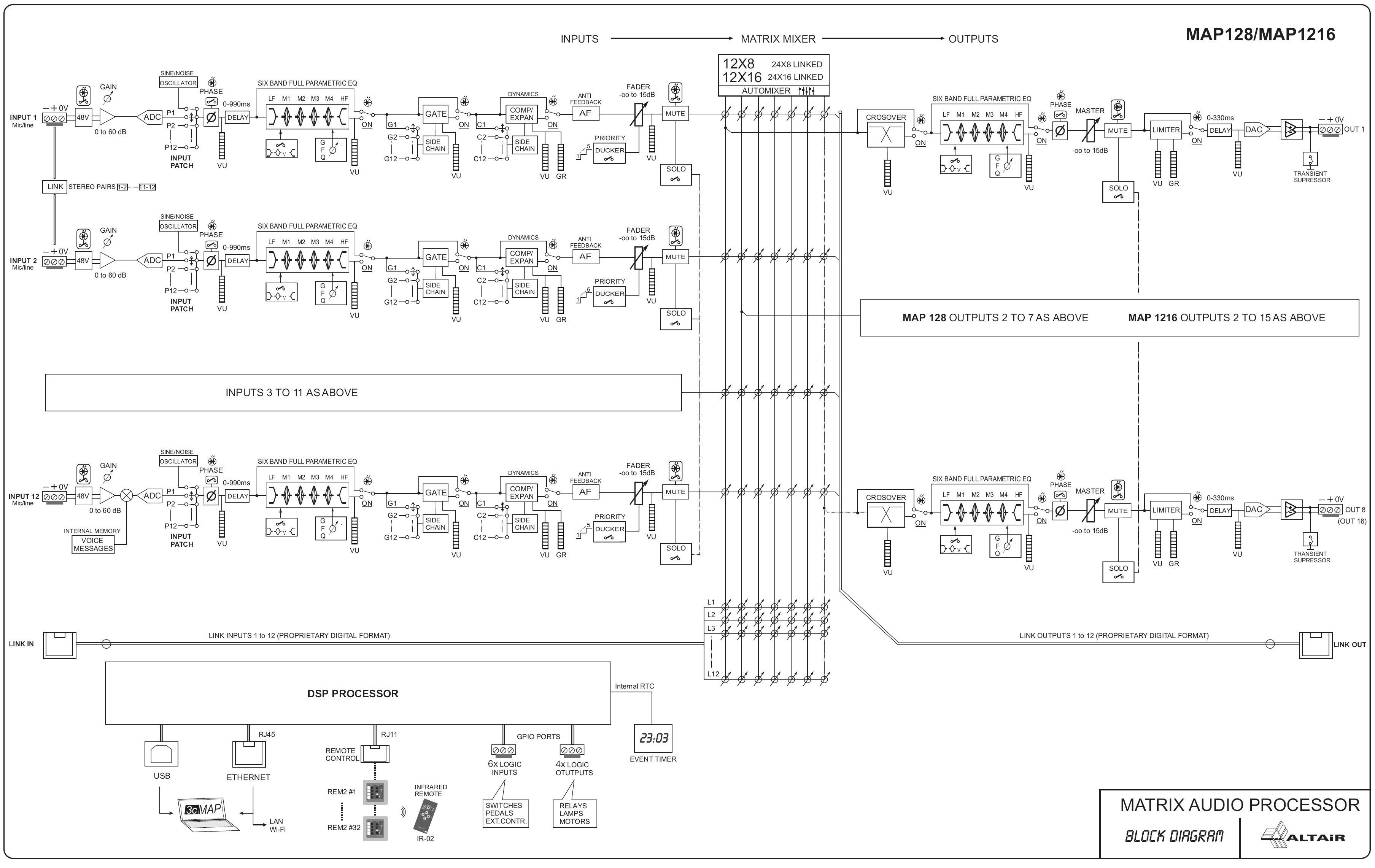
Para una información más detallada sobre como están estructuradas las entradas y las salidas, respectivamente, acuda a los siguientes apartados:

Para una información más detallada sobre como están estructuradas las entradas y las salidas, respectivamente, acuda a los siguientes apartados: