
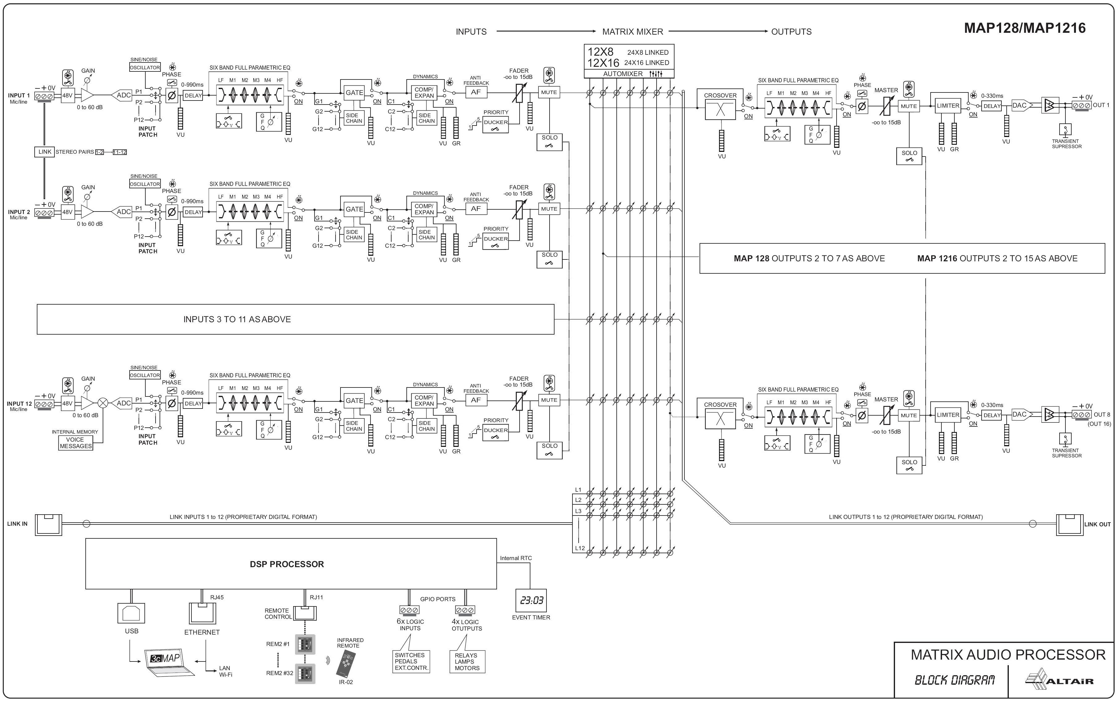
For more detailed information on how the inputs and outputs are structured, respectively, refer to the following sections:
-
8.1. – Inputs Block Diagram
-
8.2. – Outputs Block Diagram

For more detailed information on how the inputs and outputs are structured, respectively, refer to the following sections:
8.1. – Inputs Block Diagram
8.2. – Outputs Block Diagram